Features:
Unterputz Tastsensor zum Ansteuern von 4 Gruppenadressen(UM)
Die internen Schaltzustände werden mit LED angezeigt. In der Mitte scheint eine grüne LED zur Orientierung durch. Diese zeigt mitunter
den Programmiermodus durch Blinken an. Ein Pogrammiertaster ist überflüssig,man muß hierzu 2 Taster einer Bedienfläche gleichzeitig drücken.(geht nur bei demontierter Bedienfläche). Passend zum Schalterprogramm
Reflex SI* des Herstellers Busch Jaeger. *Eingetragenes Warenzeichen
Nun da wir ja einige Geräte für den Verteilereinbau entwickelt haben wurde
es höchste Zeit etwas für "unter Putz" zu realisieren. Nach langem Suchen
fand siche ein Produkt das wir dafür hernehmen können. Es handelt sich
um ein Funkschalter mit Wippe Rahmen und Platine mit Kurzhubtastern.
Hier ist ein Reichelt-Warenkorb (thx kr2)

Die übrigen Taster unten sind im Layout über den angeschlossenen gelegt, damit man DIL sowie SMD nehmen kann.
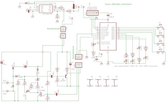
Wie zu erkennen haben wir die LED's an den oberen 4 Pins des controllers angeschlossen.
Ich empfehle jedoch dringend die Taster von der Funkplatine abzulöten. Dies geht mit viel Gestank wenn man die
Platine von hinten mit einem Feuerzeug oder Heißluft erwärmt und den jeweiligen Taster dann abhebt. Aus dem Schaltplan heraus entwickelten wir zwei recht volle aber dennoch einseitige Platinen:

In dieser Ansicht sind die Bauteile der Vorder und Rückseite eingeblendet.
Hier die Seitenansicht der huckepack Platine:

Aufgebaut sind die Bauteileseiten recht interessant...
links der Taster , rechts der Analogteil der Schaltung

Zusammen gesteckt von hinten...

Hier kann man den Einbau im Gehäuse sehen(noch alte version), es fehlen nur noch die Wippen....

Die Software findet ihr im Software-download. Der Progtaster wurde weggelassen. Da man wegen
den WIppen immer nur oben oder unten drücken kann wird der Programmiermodus durch Drücken von
jeweils einer unteren und oberen Taste der gleichen Seite aktiviert bzw deaktiviert. Bei aktiviertem Programmiermodus blinkt die grüne Orientierungs LED.
Nun noch die Frontansicht mit roten 2mA LEDs im finish, die Farbe ist nicht gut fotografiert! es ist alpinweiss
Der neue Taster ist mit superhellen roten LEDs ausgerüstet und leuchtet durch den Kunststoff
der Wippen hindurch. Das Foto wurde mit 500 lux auf dem Hintergrund aufgenommen.

natürlich kann er auch mit Kalotten ausgestattet werden, hier kommen die
superhellen LEDs eindrucksvoll zur Geltung.

Dies ist die Firmware für einen 4-fach Taster mit 4 LEDs. Im Augenblick sind in der aktuellen Version 1.03 folgende Funktionen implementiert:
| Schalten (EIN / UM / AUS) | √ | |||
| Dimmen (Zweiflächenbedienung) | √ | Schreiben der Objektzustände | √ | |
| Jalousie / Rolladen | √ | Auslesen aller Objektzustände | √ | |
| Wertgeber | X¹ | Programmier- und parametrierbar über ETS | √ | |
| Status LEDs parametrierbar | √ | EEPROM und USERRAM vollständig auslesbar | √ | |
| Betriebs-LED parametrierbar | √ | |||
| TODO: Dimmer (Einflächenbedienung) | X | TODO: Dimmer (Telegrammwiederholung) | X |
¹ derzeit keine praktische Anwendung erkennbar, kann aber noch kommen
Die 4 LEDs sind einzeln parametrierbar und können folgende Funktionnen haben:
- immer EIN oder immer AUS
- Status oder invertierter Status der entsprechenden Taste (nicht bei Jalousie)
- Betätigungsanzeige, d.h. nach Drücken der Taste bleibt die LED für eine einstellbare Zeit an
Tip zur Konfiguration der Jalousie-Funktion:
Die Jalousie-Funktion verfügt über zwei Zeit-Einstellungen, die ich in der Grafik mal T1 und T2 nenne. T1 ist die Zeit zwischen Kurz- und Langzeitbetrieb. T2 ist die Lamellenverstell-Zeit. Beide sind in den Parametern einzustellen. T1 beginnt, wenn der Taster gedrückt wird. Nun gibt es mehrere Möglichkeiten:
- Der Taster wird vor Ablauf von T1 losgelassen: Es wird ein Kurzzeit-Telegramm gesendet, also die Gruppenadresse, die auf dem Objekt "Kurzzeit" programmiert ist.
- T1 ist abgelaufen und der Taster noch nicht losgelassen: Nach Ablauf von T1 wird ein Langzeit-Telegramm gesendet, also die Gruppenadresse die auf dem Objekt "Langzeit" programmiert ist.
- Taster wird während T2 losgelassen: Es wird ein sog. step gesendet, das ist ein Kurzzeit-Telegramm und bewirkt am Rolladenaktor ein Stop der Bewegung.
- Taster wird nach Ablauf von T2 losgelassen: Es wird nach dem Langzeit-Telegramm nichts weiter gesendet. Jalousie / Rolladen fährt also bis zur Endlage.
| ↓ Taste gedrückt | |
| T1 | T2 |
Sinn von T2 ist, daß man bei langem, aber nicht zu langem, Druck die 180° Bewegung der Jalousie-Lamellen bewirkt. Dazu misst man die Zeit einer 180°-Drehung und stellt diese ein. Läßt man nun den Taster während der Drehung los, stoppt der Antrieb.
Für Rollläden mach das keinen Sinn und ist eher hinderlich, daher ist es üblich T2 auf Null zu setzen.
Hardware:
Zum Einsatz kommt die Soft auf dem 4-fach UP-Taster oder aber auf dem normalen LPC-Controllerboard. Dazu verwendet man folgende Anschlüsse:
I/O 1-4 je einen Taster gegen GND
I/O 5-8 je eine LED über Vorwiderstand gegen GND
Um in den Programmier Mudus zu gelangen müssen entweder Taste 1 und 2 oder Taste 3 und 4 gleichzeitig gedrückt werden.
Ein weiterer UP-Adapter für "normale" Taster ist auch schon in Arbeit.
Beim Import der Produktdatenbank in ETS das Applikationsprogramm "Universal/Schalten 105201" auswählen, bzw. dieses später unter Applikationsprogramm ändern auswählen.

