Features:
- Controller auf Basis des 89LPC922
- ISP Schnittstelle
- Spannungsversorgung durch Schaltregler
- Programmiertaster und LED on board
- Anschluss für 4 Status LEDs
- für Einbau in REG Gehäuse 2TE
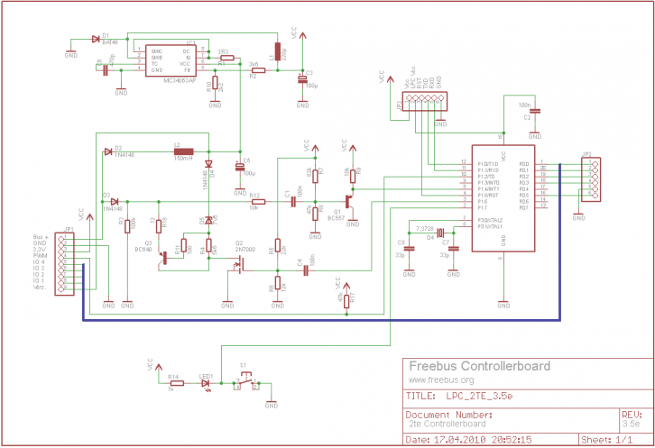
Beschreibung:
Dies ist die Controllerplatine auf Basis des P89LPC922 für ein REG 2TE Gehäuse.
Die Spannungsversorgung erfolgt über einen Schaltregler vom Typ MC34063 der im Gegensatz zum früher verwendeten Linearregler LM317 keinerlei Wärme mehr produziert. Ausserdem konnte die Stromaufnahme vom Bus auf nahezu 5mA reduziert werden. Pro leuchtender LED kommt nochmal knapp ein mA dazu.
Neben dem bekannten ISP Stecker befindet sich auf dem Board noch ein Anschluss für 4 LEDs in der Gehäusefront und eine 9-polige Stiftleiste zum Anschluss an ein Applikationsboard.
Neu ist auch, daß der Programmiertaster sowie die dazugehörige LED mit auf dem Board sind.


Beim Zusammenbau ist darauf zu achten, daß der Taster, die LED sowie die 6-polige Stiftleiste für die Status-LEDs auf der Lötseite anzubringen sind. (s. Foto) Bitte drauf achten, daß D2 nicht das Quartzgehäuse berührt, die Stelle ist etwas eng.

Die LEDs werden auf einer separaten Platine positioniert.
Schaltplan und Layout im Eagle Format sind im Download-Bereich.
bis dahin ... viel Spass
Andreas (kubi)

